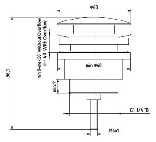
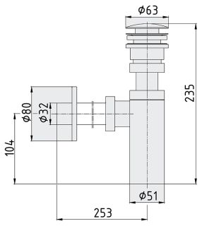
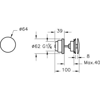
Сифоны и сливы переливы в Красноярске Турция
10 товаров
-
Турция
Артикул:
102119055C1EX
9868.79 руб
